MGLP-B12-12 | KVT-Fastening Austria
Whether blind rivets, self-clinching fasteners or thread inserts – our fastening technology components provide high-performance solutions for all industrial sectors from a single source!

Need help? Click here to access E-Shop guidelines.

3D-Data available Download
Order description MGLP-B12-12
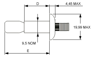
Niet-Ø 9,5 mm
Klemmbereich 3,0 - 14,2 mm
Hülsenlänge D max. 21,34 mm
Nietlänge E max. 41,91 mm
Bohrloch-Ø 9,9 - 10,3 mm
Zugkraft 8.450 N
Scherkraft 13.120 N
Werkstoff Hülse: Aluminium (AIMg5) Dorn: Aluminium (AIZn5,5MgCu)

Subject to technical alterations.
Technical performances, installation recommendations as well as unspecified tolerances regarding the dimensions of the parts have to be requested individual for each application before starting the series production.